設定/波形表示ソフトウェア(LXK Navi)
LXK Naviについて
インテグレーテッドロガーLX-1000とパソコンをネットワークを介し、収録条件の設定・データ収録・波形表示を行うLX-1000専用ソフトウェアです。
※ダウンロードページより会員登録後、フリーダウンロードが可能です。
LXK Naviでできること
設定する
- 測定条件を設定する。(アンプ設定・TEDS・GPS・時刻・トリガ・モニター出力・同期)
システム設定画面
TEDS設定画面
記録または再生する
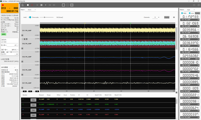
- 収録中のデータは、パソコン画面を利用してリアルタイムでモニターが可能です。
(チャンネル毎の数値表示・バーメーター表示・波形の表示順の変更・重ねて表示も可能です) - センサーの設定(TEDSもしくは実入力)やキャリブレーション後のデータの確認が可能です。
収録画面
- 再生機能で、収録後のデータ確認が可能です。
再生設定画面
再生画面
パソコンによるデータ処理・解析を行う
- 収録されたデータは、ティアック製データレコーダー共通のTAFFmat(TEAC Data Acquisition File Format)として保存されます。
- 計測データ波形表示ソフトウェア(TX-View)で表示することが可能です。
- リアルタイム制御・解析ソフトウェアCAT-SystemProもございます。
