簡易制御ライブラリ
簡易制御ライブラリについて
ティアック製データレコーダーに標準搭載されているLXK NaviやWX9K Naviではなく、ユーザーが独自のアプリケーションを開発してデータレコーダーを制御できるようにするためのライブラリです。
簡易制御ライブラリでできること
ユーザー独自のアプリケーションから、データレコーダーの設定やデータの取得が可能です。
※使用できる機能には制限があります。
※すべての機能を制御したいユーザー向けに既存の制御ライブラリも提供します。
対応言語
C/C++/C#/Python/LabVIEW/MATLAB
※Pythonは、Python Software Foundationが商標登録しているプログラミング言語です。
※LabVIEWは、NI社が開発したプログラミング言語です。
※MATLABは、MathWorks社が開発したプログラミング言語です。
ご提供例
C/C++/C#
サンプルプログラムを提供
Python
サンプルプログラムを提供
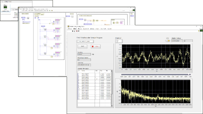
LabVIEW
計測器ドライバ、サンプルプログラムを提供
MATLAB
サンプルプログラムを提供
対応機種
※LX-100につきましては、お問い合わせください。
簡易制御ライブラリのご提供方法
使用許諾契約(書面)を取り交わさせていただきます。
お問い合わせから、「簡易制御ライブラリ希望」を選択し必要事項をご記入の上、送信ください。
担当より、使用許諾契約(書面)を送付させていただきます。
